|
アメリカのアリゾナ州フラグスタッフにあるローウェル天文台といえば、パーシバル・ローウェル(Percival Lowell)が私財を投じて建設し、火星の研究に没頭した場所として有名です。この天文台で彼は火星面に細線状の模様を多数観測し、これらは水を湛えた運河であって、火星には高等生物がいると主張しました。
ローウェル天文台では20世紀初めから惑星の写真観測が行われており、貴重な記録として残されています。その集大成と言えるのが、1964年にアール・スライファー(Earl Slipher)によって出版された「A Photographic Study of theBrighter Planets」で、今世紀前半の金星、火星、木星、土星の写真が多数収められています。惑星研究者にとっては極めてお宝度の高い本と言えるでしょう。
写真をひとつひとつ追って行くと、近年ではちょっと見ることのできない惑星面に遭遇して驚かされます。まず、図1を見てください。これは1904年の木星ですが、画像の下半分に模様がありません。最初に見た時はSEBが淡化した木星が南北逆さまになっているのかと思いましたが、実はそうではなく、NEBの消失した木星面なのです。近年のNEBは常に濃く安定したベルトですので、完全に消失するとは想像もつきません。
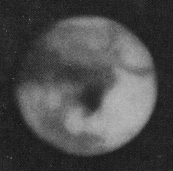
また図2は1954年の火星です。大シルチスが中央に見えており、その東側は大きくカーブした暗色模様で覆われています。これらはこの時期に肥大していたトト、ネペンテスといった運河群と、その東側に当時新しく形成されたラオコーン点という斑点などで構成されています。近年の大シルチス東側は明るい領域ですから、火星がいかにダイナミックな変化を見せる生きた星だということをまざまざと物語っているように思います。
木星観測を30年以上も続けていると、大概の現象は見てしまったような気分になるものですが、この本を見ていると、惑星面の奥の深さを実感させられてしまいます。
 |
|
[図2] 1954年の火星 |
|
|
|
|